服务热线
136-7911-1256
    
        产品简介:
刚性防水套管适用范围:
彩运网cy123
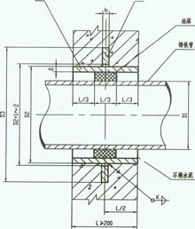
    刚性防水套管适用于管道穿墙处不承受管道振动和伸缩变形的构(建)筑物,对于地震设防要求的地区,如采用刚性防水套管,应在进入池壁或建筑物外墙的管道上就近设置柔性连接,A型适用于钢管。
                    销售热线:
                    
                    
                        13679111256
                    彩运网cy123
                
产品介绍

 
产品特点
彩运网cy123 名称:刚性防水套管(A型)
刚性防水套管适用范围:
彩运网cy123
    刚性防水套管适用于管道穿墙处不承受管道振动和伸缩变形的构(建)筑物,对于地震设防要求的地区,如采用刚性防水套管,应在进入池壁或建筑物外墙的管道上就近设置柔性连接,A型适用于钢管。
产品性能
彩运网cy123 刚性防水套管(A型)尺寸表、重量表
| DN | D1 | D2 | D3 | D14 | δ | B | k | 重量 (kg)  | 
        
| 50 | 60 | 80 | 114 | 225 | 3.5 | 10 | 4 | 4.49 | 
| 65 | 75.5 | 95 | 121 | 230 | 3.75 | 10 | 4 | 4.66 | 
| 80 | 89 | 110 | 140 | 250 | 4 | 10 | 4 | 5.33 | 
| 100 | 108 | 130 | 159 | 270 | 4.5 | 10 | 5 | 6.36 | 
| 125 | 133 | 155 | 180 | 290 | 6 | 10 | 6 | 8.33 | 
| 150 | 159 | 180 | 219 | 330 | 6 | 10 | 6 | 1O.06 | 
| 200 | 219 | 240 | 273 | 385 | 8 | 12 | 8 | 15.9 | 
| 250 | 273 | 295 | 325 | 435 | 8 | 12 | 8 | 18.68 | 
| 300 | 325 | 345 | 377 | 500 | 10 | 14 | 10 | 27.40 | 
| 350 | 377 | 400 | 426 | 550 | 10 | 14 | 10 | 30.95 | 
| 400 | 426 | 445 | 480 | 600 | 10 | 14 | 10 | 34.35 | 
| 450 | 480 | 500 | 530 | 650 | 1O | 14 | 10 | 37.85 | 
| 500 | 530 | 550 | 590 | 730 | 10 | 16 | 10 | 44.54 | 
| 600 | 630 | 660 | 690 | 830 | 10 | 16 | 10 | 54.50 | 
| 700 | 720 | 750 | 790 | 920 | 10 | 16 | 10 | 61.43 | 
| 800 | 820 | 850 | 880 | 1020 | 10 | 16 | 10 | 69.12 | 
| 900 | 920 | 950 | 980 | 1120 | 10 | 16 | 10 | 76.81 | 
| 1000 | 1020 | 1050 | 1080 | 1230 | 10 | 16 | 10 | 84.50 | 
| 1200 | 1220 | 1250 | 1290 | 1430 | 12 | 20 | 12 | 122.5 | 
| 1400 | 1420 | 1450 | 1490 | 1630 | 12 | 20 | 12 | 141.3 | 
| 1600 | 1620 | 1650 | 1690 | 1830 | 14 | 20 | 14 | 176.4 | 
| 1800 | 1820 | 1850 | 1900 | 2040 | 16 | 20 | 16 | 216.6 | 
| 2000 | 2020 | 2050 | 2100 | 2240 | 16 | 20 | 16 | 239.3 | 
 
上一篇:
钢性防水套管(B型)下一篇:
不锈钢防水套管联系人: 李经理
电话: 13679111256
彩运网cy123QQ:603033916
座机: 02983331833
彩运网cy123地址: 西安市未央区大明宫北辰五金批发基地1区7排11-14号
                扫一扫关注我们